真空手套箱 VG-800型
- 产品特性
- 相关资料
- Q&A
- 参考文献
真空手套箱VG-800型

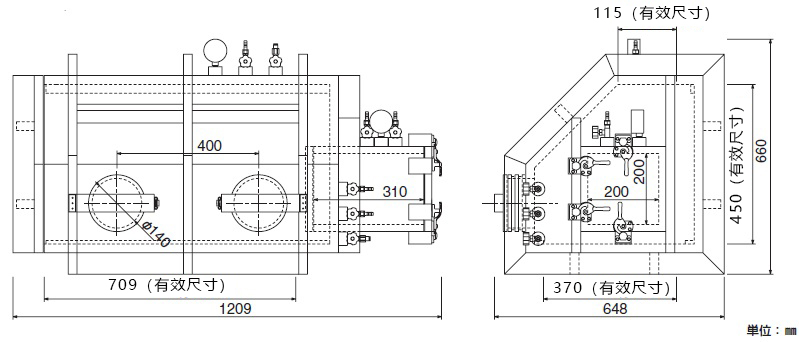
◆产品规格
|
整体规格(mm) |
1209W×648D×660H |
|
有效规格(mm) |
709W×155D(上底)/370D(下底)450H |
|
真空箱规格(mm) |
310W×200D×200H |
|
箱体、真空箱阀门 |
各1个,孔径Φ9mm |
|
手套、手套带 |
1组 |
|
手套接口门 |
1组(减压时使用) |
|
重量 |
约94kg |
◆特点
● 左边门可放入作业机器,右边的真空箱可在作业中放入器具、样品等物品。
● 箱体强度足够支撑真空环境。
● 箱体由三部分组成,包括作业用真空箱。如情况需要,可联系我们在设计等各方面进行修改。
● 修改例:电极端子2PIN、4PIN、16PING等
气体导入口(内外)
阀门外径变更
附加箱内台式插头
全丙烯酸制,日本最先产品化。
长年在各种现场检查、配合、检测等场合中发挥作用。
◆注意事项
● 真空手套箱的设计完全可承受真空压,但操作过于激烈容易造成机器老化,使用时请平稳进行。
● 用作真空干燥器时,必要佩戴手套。
● 真空计会显示手套箱内的压力差。(单位:MPa)
● 减压条件下不可进行内部操作。
◆设计图

| 产品编号 | 产品名称 | 产品规格 | 产品等级 | 产品价格 |
| WEB6590 | acrylic glove box VG-800 真空手套箱VG-800型 |
1台 |